בית
חֶברָה
פּרוֹפִיל
צִיוּד
טֶכנוֹלוֹגִיָה
איכות
מוצרים
מֵסַב כַדוּרִיוֹת
מיסב כדור חריץ עמוק מיניאטורי
מיסב כדורי חריץ עמוק בשורה אחת
מיסב כדור דחף
מיסבי כדור קשר זוויתיים
מיסבים עם חריץ עמוק בשורה כפולה
מיסבי חתך דק
מיסבים מנירוסטה
כדורי נירוסטה
גלגלי מדריך נירוסטה V- חריץ
מיסבי כדור חריץ עמוק מנירוסטה
מיסבי כדור זוויתיים מנירוסטה
מיסבי כדור בעלי התאמה עצמית מנירוסטה
מיסבי כדור דחף מנירוסטה
מיסב גלילה מחט
מיסבים רולים מחט גביע
מסבי גלילה מחט כבדים
מיסבים מצמדים חד כיווניים
מכלולי רולר ומחט
מיסבים דחף רולר מחט
יישור מיסבי גלילה מחט
מיסבים קרמיים
מיסבים יישוריים קרמיים
מיסבי כדור אוגן קרמיים
כדור קרמיקה
רכיבי קרמיקה
מיסבים חריצים עמוקים קרמיים
מיסבי כדור דחף קרמיים
FRC Bearing Interchange Chart
Miniature bearings vs application
FRC Metric Miniature bearings vs Common brands
FRC Inch Miniature bearings vs Common brands
FRC Inch Miniature bearings with flanged vs Common brands
FRC Metric Miniature bearings with flanged vs Common brands
FRC MR series of Flanged vs Common brands
Dental Drill Handpiece Bearing
Other Size Of Dental Bearing
Low Speed Dental Bearing
Dental Bearing
Robot Bearings
Thin-walled Bearings For Robots
Cobot & Robot Bearings
Robot bearings
Chrome Series
Stainless Series
Ceramic Series
יישום
Bearing specification and application comparision
גלגיליות
אופניים
מָנוֹעַ
תרגיל שיניים
ציוד דיג
יו יו
מִכשׁוּר
כלים רפואיים
BRUSHLESS MOTOR EMQ BEARING
MICRO NITRO BUGGY ENGINE FRONT REAR BEARING FOR MO
HIGH PRECISION FPV MINI RC QUADCOPTER BEARING RC D
HIGH PERFORMANCE SKATEBOARD BEARING 608 8X22X7 MM
FREERUN IS A SPECIALIZED MANUFACTURER OF RC CAR & TRUCK BEARING.
מרכז מכירות
Inventory
חֲדָשׁוֹת
חדשות חברה
Events&Knowledge
חדשות התעשייה
צור קשר
חקירה מקוונת
איך להזמין
מדיניות החזר והחלפה
שפה
אנגלית
סִינִית
יַפָּנִית
רוּסִי
ספרדית
גֶרמָנִיָת
צָרְפָתִית
עִברִית
רומנית
יווני
דַנִי
הוּנגָרִי
נורווגית
פִינִית
הוֹלַנדִי
שוודית
סלובקית
סלובנית
הינדית
אינדונזית
מלאית
מלטזית
קריאולית האיטי
קטלאנית
בנגלית
סרבית
אוזבקית
קוריאני
אִירִית
צ'כי
Croatian
Ukrainian
Bosnian
Persian
Italian
Thai
Lithuanian
Latvian
Estonian
Portuguese
Turkish
Vietnamese
Arabic
Hmong
Bulgarian
Urdu
Icelandic
Polish
Welsh
סדרת NCS
בית
>>
קטלוגים
>>
מיסב גלילה מחט
>>
מסבי גלילה מחט כבדים
>>
סדרת NCS
כל המוצרים
מֵסַב כַדוּרִיוֹת
מיסב כדורי חריץ עמוק בשורה אחת
סדרת R
סדרה 6000
סדרת 6200
סדרת 6300
סדרת 6400
סדרת 6700
סדרת 6800
סדרת 6900
סדרת 1600
סדרת RLS
סדרת 16000
מיסב כדור חריץ עמוק אינץ '
סדרת RMS
סדרת W6200
סדרת W6300
מיסבים עם חריץ עמוק בשורה כפולה
סדרת 4200
סדרת 4300
מיסב כדור חריץ עמוק מיניאטורי
סדרה מטרית
סדרה 60
סדרה 62
סדרה 63
סדרה 68
סדרה 69
סדרת MR
סדרת אוגן
סדרת MF / F
סדרת FR
סדרה מורחבת
מיסבי חתך דק
סדרת אינץ '
מיסבים פתוחים בגודל אינץ 'דק
מיסבים אטומים בגודל אינץ 'דק
מיסבים מצופים חתך דק
מיסבי חתך דקיקים מנירוסטה
סדרה מטרית
6700, 6800, 6900 סדרות
סדרת ET ו- ER
סדרת אקסטרה דקה במיוחד
מיסבי כדור קשר זוויתיים
מיסבי כדור קשר זוויתי בשורה אחת
סדרת 7000
סדרת 7200
סדרת 7300
סדרת 7900
סדרת Super Precision High Speed
מיסבי כדור זוויתיים עם שורה כפולה
סדרה 52
סדרה 53
ציר סופר דיוק מסבי כדור זוויתיים במהירות גבוהה
מיסבי כדור מגע זוויתיים מיניאטוריים
מיסב כדור דחף
מיסבי דחף מיניאטוריים
גודל מטרי
גודל אינץ '
סדרת 51100
סדרת 51200
סדרת 51300
סדרת 51400
מיסבים קרמיים
מיסבים חריצים עמוקים קרמיים
גודל אינץ '
גודל Metirc
מיסבי כדור דחף קרמיים
מיסבים יישוריים קרמיים
מיסבי מגע זוויתיים קרמיים
מיסבי כדור אוגן קרמיים
כדור קרמיקה
רכיבי קרמיקה
בסיס קבוע מקרמיקה
רולר חריץ U קרמיק סיליקון קרמי
שרוול אוגן קרמי
בסיס ניטריד מסיליקון קרמי
שיחי קרמיקה וזירקוניה ושרוולי הגנה
מוט חיבור מנוטר סיליקון קרמי
טבעת חיצונית חנקתית סיליקון קרמית עם גלגלת חריץ V
בר ערבוב קרמי
ברגי ניטריד סיליקון קרמיים, אגוזים, ברגים
שיחים ושרוולים מקרמיקה
זרבובית קיטור חנקתית סיליקון קרמית
יריעות ובלוקים מזירקוניה קרמיים
טבעת זירקוניה קרמית
ניטריד סיליקון קרמי עם פיר אוגן
מוטות זירקוניה קרמיים
שרוול קרמי
גלגל זירקוניה קרמי
זרבובית קרמיקה זירקוניה
מיסב גלילה מחט
מיסבים רולים מחט גביע
סדרת HK
סדרת HK ... RS
סדרת HK..2RS
סדרת HN
סדרת SCE
SCE ..- סדרת P
SCE ..- סדרת PP
סדרת SCH
SCH ..- סדרת P
SCH ..- סדרת PP
סדרת BK
BK ..- סדרת RS
סדרת BCE
BCE ..- סדרת P
סדרת BCH
סדרת BCH ..- P
מסבי גלילה מחט כבדים
סדרת NK
סדרת NKS
סדרת RNA49
סדרת RNA48
סדרת RNA69
RNA49 ..- סדרת RSR
RNA49 ..- סדרת 2RSR
סדרת NKI
סדרת NKIS
סדרת NA49
סדרת NA48
סדרת NA69
NA49 ..- סדרת RSR
NA49 ..- סדרת 2RSR
סדרת NAO
NAO ..- סדרת ZW-ASR1
סדרת RNAO
RNAO ..- סדרת ZW-ASR1
סדרת NCS
מיסבים מצמדים חד כיווניים
סדרת HF
HF ..- סדרת KF
HF ..- סדרת KF-R
סדרת HF ..- R
סדרת HFL
HFL ..- סדרת KF
HFL ..- סדרת KF-R
סדרת HFL ..- R
מכלולי רולר ומחט
סדרת K
סדרת K ..- ZW
סדרת ג
מיסבים דחף רולר מחט
סדרת AXK
סדרת AXW
סדרת TC
יישור מיסבי גלילה מחט
סדרת RPNA
סדרת PNA
טבעות פנימיות
סדרת IR
IR ..- סדרת IS1
סדרת LR
סדרת PI
גלילי מחט רופפים
מסלולי רולר
גלילי מסלול מסוג עול
סדרת RSTO
סדרת STO
RNA22 ..- סדרת 2RSR
NA22 ..- סדרת 2RSR
NATR ..- סדרת PP
NATV ..- סדרת PP
סדרת NATR
סדרת NATV
סדרת NUTR
PWTR ..- סדרת 2RS
NNTR ..- סדרת 2ZL
רולדות מסלול מסוג הרבעה
KR ..- סדרת PP
סדרת KR
סדרת KRE ..- PP
KRV ..- סדרת PP
סדרת NUKR
סדרת NUKRE
PWKR ..- סדרת 2RS
PWKRE ..- סדרת 2RS
מיסבים מנירוסטה
מיסבי כדור חריץ עמוק מנירוסטה
מיסבי כדור בעלי התאמה עצמית מנירוסטה
מיסבי כדור דחף מנירוסטה
מיסבי כדור זוויתיים מנירוסטה
יחידות רכובות נירוסטה, פסי כריות, מיסבים ליחידות ותוספות
סדרת SSUCP
סדרת SSUCPA
סדרת SSUCF
סדרת SSUCFB
סדרת SSUCFC
סדרת SSUCFL
סדרת SSUCT
סדרת SSUC
סדרת SSSB
סדרת SSCSB
מיסבים רגילים כדוריים נירוסטה וקצות מוטות
סדרת SPHS
סדרת SPOS
סדרת SPHS..EC
סדרת SPHSB..EC
סדרת SPOS..EC
סדרת SPOSB..EC
סדרת SCHS
סדרת SCOS
סדרת SJF-T
סדרת SJM-T
סדרת SCOM
סדרת WSSB, WSSB-V
סדרת NSSB, NSSB-V
YSSB, סדרת YSSB-V
סדרת SGE..C
סדרת SGE..ET-2RS
סדרת SGE..E
סדרת SGE..ES
סדרת SGE..ES-2RS
עוקבים אחר מצלמות נירוסטה וגלילי מסלול
עוקבי מצלמות סטנדרטיים בסגנון עול נירוסטה
עוקבי מצלמות סטנדרטיים בסגנון נירוסטה
גלגלי מדריך נירוסטה V- חריץ
כדורי נירוסטה
מיסב גלגלים מחודד
מיסב גלגלים מחודד אינץ '
מידות מטריות רולר מחודדות
סדרת 30200
סדרת 30300
סדרת 32200
סדרת 32300
סדרת 31300
סדרת 32000
סדרת 33000
סדרת 33200
סדרת 33100
לפי מילת מפתח
לפי מספר חלק
חיפוש מתקדם
לְהִתְנַגֵד
ציור דו ממדי
הורד
PDF
לְהִתְנַגֵד
ציור דו ממדי
צור קשר
support@freerun-bearing.com
Tel:0086-591-88280372
שתף עם
הורד קטלוג
חפש לפי מפרט
בקש הצעת מחיר
השווה פריטים
>>
<<
בחר
חֲקִירָה
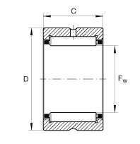
מס 'מס'
Fw
ד
ג
אִינְטשׁ
מ"מ
אִינְטשׁ
מ"מ
אִינְטשׁ
מ"מ
NCS1012
5/8 אינץ '
15.875 מ"מ
1.125 אינץ '
28.575 מ"מ
0.75 אינץ '
19.05 מ"מ
NCS1016
5/8 אינץ '
15.875 מ"מ
1.125 אינץ '
28.575 מ"מ
1 אינץ
25.4 מ"מ
NCS1212
3/4 אינץ '
19.05 מ"מ
1.25 אינץ '
3.175 מ"מ
0.75 אינץ '
19.05 מ"מ
NCS1216
3/4 אינץ '
19.05 מ"מ
1.25 אינץ '
3.175 מ"מ
1 אינץ
25.4 מ"מ
NCS1412
7/8 אינץ '
22.225 מ"מ
1.375 אינץ '
34.925 מ"מ
0.75 אינץ '
19.05 מ"מ
NCS1416
7/8 אינץ '
22.225 מ"מ
1.375 אינץ '
34.925 מ"מ
1 אינץ
25.4 מ"מ
NCS1612
1 אינץ
25.4 מ"מ
1.5 אינץ '
38.1 מ"מ
0.75 אינץ '
19.05 מ"מ
NCS1616
1 אינץ
25.4 מ"מ
1.5 אינץ '
38.1 מ"מ
1 אינץ
25.4 מ"מ
NCS1816
1 1/8 אינץ '
28.575 מ"מ
1.625 אינץ '
41.275 מ"מ
1 אינץ
25.4 מ"מ
NCS1820
1 1/8 אינץ '
28.575 מ"מ
1.625 אינץ '
41.275 מ"מ
1.25 אינץ '
3.175 מ"מ
NCS2012
1 1/4 אינץ '
3.175 מ"מ
1.75 אינץ '
44.45 מ"מ
0.75 אינץ '
19.05 מ"מ
NCS2016
1 1/4 אינץ '
3.175 מ"מ
1.75 אינץ '
44.45 מ"מ
1 אינץ
25.4 מ"מ
NCS2020
1 1/4 אינץ '
3.175 מ"מ
1.75 אינץ '
44.45 מ"מ
1.25 אינץ '
3.175 מ"מ
NCS2216
1 3/8 אינץ '
34.925 מ"מ
1.875 אינץ '
47.625 מ"מ
1 אינץ
25.4 מ"מ
NCS2220
1 3/8 אינץ '
34.925 מ"מ
1.875 אינץ '
47.625 מ"מ
1.25 אינץ '
3.175 מ"מ
NCS2416
1 1/2 אינץ '
38.1 מ"מ
2.063 אינץ '
52.388 מ"מ
1 אינץ
25.4 מ"מ
NCS2420
1 1/2 אינץ '
38.1 מ"מ
2.063 אינץ '
52.388 מ"מ
1.25 אינץ '
3.175 מ"מ
NCS2616
1 5/8 אינץ '
41.275 מ"מ
2.188 אינץ '
55.563 מ"מ
1 אינץ
25.4 מ"מ
NCS2620
1 5/8 אינץ '
41.275 מ"מ
2.188 אינץ '
55.563 מ"מ
1.25 אינץ '
3.175 מ"מ
NCS2816
1 3/4 אינץ '
44.45 מ"מ
2.313 אינץ '
58.738 מ"מ
1 אינץ
25.4 מ"מ
הקודם
1
2
הבא
>>
<<